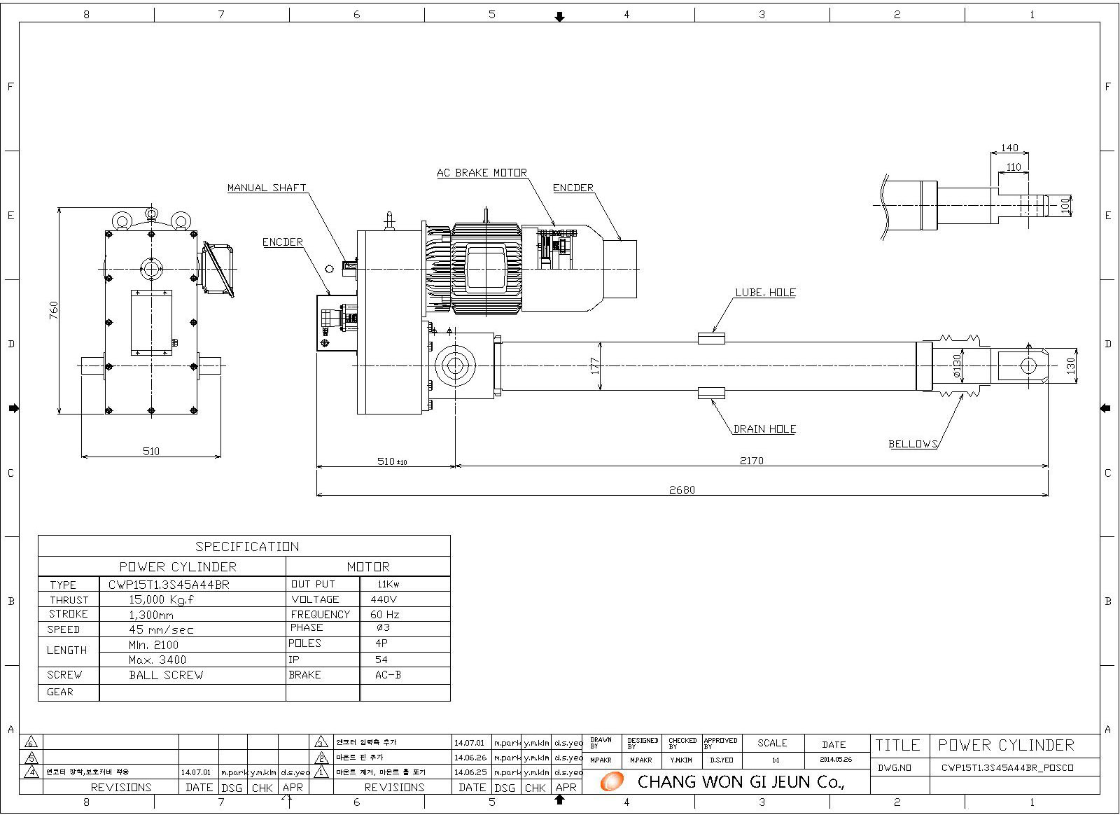
CWP15T1.3S45A44BR > 제철소 납품용

CWP15T1.3S45A44BR 요약정보 및 구매

추력 15,000Kg.f
행정거리 1300mm(User oder make)
속도 45 mm/sec
사용모터 11KW×AC440V×∅3×4P×IP54x60Hz×AC Brake
특징1 정밀 위치제어 엔코터 장착
특징2 BALL SCREW TYPE, 2680(W)x510(D)x760(H) , WEIGHT:1,300Kg NEVER FAIL ENCODER OUT PUT DATA
031-404-7526


상품 상세설명

제품의 특징
추력 15,000kg.f용 중형 실린더로 주로 제철소 자동화 라인에 적용
고 효율의 BALL SCREW 적용으로 저소음고출력확실한 내구성
실린더전용 브레이크를 장착하여 확실한 제동력을 발휘
정전시 MOTOR 내부에 장착된 장치를 사용 하여 수동운전 가능
제품 출하 시 충분한 그리이스(Grease) 주입후 밀봉하여 장기간 안정적 으로 사용



23c16c340d9c867e03b1150a4c654915_1624848689_16.jpg
23c16c340d9c867e03b1150a4c654915_1624848689_38.jpg
 


관련상품

등록된 상품이 없습니다.

개인정보보호방침 | 이메일무단수집거부

CHANGWON GI JUN CO., LTD.
(주)창원기전 침 대표이사 : 여덕수 | 사업자등록번호 : 140-81-92321부
본사/공장 : 경기도 시흥시 수인로 2778-2 (도창동) | 대표번호 : 031-404-7526 / 010-8960-1443 | 팩스 : 031-404-7529 | 이메일 : cw-p@hanmail.net

본 사이트의 모든 콘텐츠는 저작권법의 보호를 받는 바 무단 전재, 복사, 배포 등을 금합니다.
COPYRIGHT 2021 (주)창원기전. ALL RIGHTS RESERVED.